分类:教师公开招聘/山东    来源:fenbi
下列关于物理思想方法的叙述错误的是( )。
如图所示器材为一秋千,用两根等长轻绳将一座椅悬挂在竖直支架上等高的两点。由于长期使用,导致两根支架向内发生了微小倾斜,如图中虚线所示,但两悬挂点仍等高。座椅静止时所受合力的大小用F表示,表示单根轻绳对座椅拉力的大小,与倾斜前相比( )。

金属板和板前一正点电荷形成的电场线分布如图所示,A、B、C是电场中的三个点。其中A、B两点到正电荷的距离相等,C点靠近正电荷,则( )。

质量为50kg的某同学参加学校运动会立定跳远项目比赛,起跳至着地过程如下图,测量得到比赛成绩是2.4m,目测空中脚离地最大高度约0.8m,忽略空气阻力,则起跳过程该同学所做功约为( )。

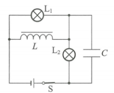
如图所示,电源电动势为E,、
是完全相同的灯泡,线圈L的直流电阻不计,电容器的电容为C。则下列说法正确的是( )。

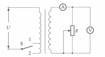
如图所示,理想变压器原线圈接电压为220V的正弦交流电,开关接1时,原副线圈的匝数比为11∶1,滑动变阻器接入电路的阻值为,电压表和电流表均为理想电表,则( )。

2016年3月16日,“天宫一号”正式终止数据服务,全面完成了其历史使命。“天宫一号”结构完整,运行轨道仍在持续、密切跟踪监视之中,平均轨道高度为370公里,而且正以每天降低100米的速度衰减。2018年4月2日,在太空中飞行了六年半的“天宫一号”已再入大气层,再入落区位于南太平洋中部区域。关于“天宫一号”的轨道高度衰减,下列说法正确的是( )。
低频电涡流传感器可用来测量自动化生产线上金属板的厚度。如下图,在线圈中通以低频交流电,它周围会产生交变磁场,其正下方有一个与电表G连接的线圈
,金属板置于
、
之间。当线圈
产生的变化磁场透过金属板,
中会产生感应电流。由于金属板厚度不同,吸收电磁能量强弱不同,导致
中感应电流的强弱不同,则( )。

如图所示,轻质弹簧一端固定,另一端与质量为m、套在光滑竖直固定杆A处的圆环相连,弹簧水平且处于原长。圆环从A处由静止开始下滑,经过B处的速度最大,到达C处的速度为零,重力加速度为g,则( )。

为了测量某一未知电阻的阻值,某实验小组找来以下器材:电压表(0~3V,内阻约3kΩ),电流表(0~0.6A,内阻约0.5Ω),滑动变阻器(0~15Ω,2A)、电源(E=3V,内阻很小)、开关与导线,并采用如图甲所示的电路图做实验。

①请按图甲所示的电路图将图乙中实物连线图补齐。
②图乙中,闭合开关前,应将滑动变阻器的滑片Р置于______端(选填“a”“b”)。
③闭合开关,缓慢调节滑动变阻器,得到多组电压表与电流表的读数,根据实验数据在坐标系中描出坐标点,请你完成U-I图线。
④根据U-I图可得,该未知电阻的阻值=______。(保留两位有效数字)。
⑤由于实验中使用的电表不是理想电表,会对实验结果造成一定的影响,则该小组同学实验测出的电阻值______的真实值(填“>”“<”或“=”)。
⑥利用现有的仪器,为了更加精确地测量这个电阻的阻值,请你给该实验小组提出建议并说明理由。______
为了测量小滑块与水平桌面间的动摩擦因数,某小组设计了如图甲所示的实验装置,其中挡板可固定在桌面上,轻弹簧左端与挡板相连,图中桌面高为h,、
、A、B、C点在同一水平直线上。已知重力加速度为g,空气阻力可忽略不计。
实验过程一:挡板固定在点,推动滑块压缩弹簧,滑块移到A处,测量
的距离,如图甲所示。滑块由静止释放,落在水平面上的P点,测出P点到桌面右端的水平距离为
。
实验过程二:将挡板的固定点移到距点距离为d的
点,如图乙所示,推动滑块压缩弹簧,滑块移到C处,使
的距离与
的距离相等。滑块由静止释放,落在水平面上的Q点,测出Q点到桌面右端的水平距离为
。

(1)为完成本实验,下列说法中正确的是( )。
A.必须测出小滑块的质量
B.必须测出弹簧的劲度系数
C.弹簧的压缩量不能太小
D.必须测出弹簧的原长
(2)写出动摩擦因数的表达式______(用题中所给物理量的符号表示)。
(3)某同学认为,不测量桌面高度,改用秒表测出小滑块从飞离桌面到落地的时间,也可测出小滑块与水平桌面间的动摩擦因数。此实验方案______(选填“可行”或“不可行”),理由是______。
(1)下列说法中正确的是( )。
A.分子间相互作用力随分子间距离的增大而减小
B.液体表面层的分子分布比内部稀疏
C.液晶屏是利用液晶的光学各向异性制成的
D.布朗运动是悬浮在液体中固体颗粒的内部分子所做的无规则运动
(2)每年入夏时节,西南暖湿气流与来自北方的冷空气在江南、华南等地交汇,形成持续的降雨。冷空气较暖湿空气密度大,当冷暖气流交汇时,冷气团下沉,暖湿气团在被抬升过程中膨胀。则暖湿气团温度会______(选填“升高”“不变”或“降低”),同时气团内空气的相对湿度会______(选填“变大”“不变”或“变小”)。
(3)一定质量的理想气体经历了如图所示的ABCDA 循环,均为已知量,已知A状态时的温度为
。求:

①C状态时的温度T;
②完成一个循环,气体与外界交换的热量Q(说明是吸热还是放热)。
(1)以下说法正确的是( )。
A.光的偏振现象说明光是一种横波
B.相对论认为空间和时间与物质的运动状态无关
C.麦克斯韦预言并用实验验证了电磁波的存在
D.在光的双缝干涉实验中,若仅将入射光由绿光变为红光,则间距变宽
(2)一列简谐横波沿x轴正方向传播,t=0时刻的波形如图所示(此时波恰好传播到x=6m处)。质点a平衡位置的坐标,该质点在8s内完成了4次全振动,则该波的波速是______m/s;位于x=20m处的质点在经______s将第一次到达波谷。

(3)如图所示,一束光从玻璃球的A点入射,入射角为60°,折射入球后,经过一次反射,再折射到球外的光线恰好平行于入射线。
①求玻璃球的折射率;
②B点是否有光线折射出玻璃球,请写出证明过程。

(1)下列说法正确的是( )。
A.射线与
射线都是电磁波
B.原子核的结合能等于使其完全分解成自由核子所需的最小能量
C.天然放射现象说明原子核具有复杂结构
D.用加温、加压或改变其化学状态的方法可改变原子核衰变的半衰期
(2)利用图甲所示电路研究光电效应中金属的遏止电压与入射光频率v的关系,描绘出图乙中的图像,由此算出普朗克常量h。图乙中
、
、
均已知,电子电荷量用e表示,当入射光的频率增大时,为了测定遏止电压,滑动变阻器的滑片P应向______(“M”或“N”)端移动。由
图像可求得普朗克常量h=______(用题中字母表示)。

(3)在光滑的水平面上,滑块甲以速度和静止的滑块乙发生碰撞,碰后滑块甲的速度大小变为
,方向不变。已知两个滑块的质量均为m,碰撞过程时间为t,求:
①碰撞后滑块乙的速度;
②碰撞过程中滑块乙受到的平均作用力大小F。
(9分)如图所示,半径R=0.4m的光滑半圆环轨道处于竖直平面内,半圆环与粗糙的水平地面相切于圆环的端点A。一质量m=0.1kg的小球,在水平地面О点处以初速度开始做加速度
的匀减速直线运动,向左运动4m后,经过A点,冲上竖直半圆环到达最高点B,最后小球又落在水平地面上C点。取
,求:
(1)小球到达A点时速度大小;
(2)小球经过B点时对轨道的压力大小;
(3)AC两点间的距离。

(9分)如图所示,两根半径为r的六圆弧轨道间距离为L,其顶端a、b与圆心处等高,轨道光滑且电阻不计,在其上端连有一阻值为R的电阻,整个装置处于辐向磁场中,圆弧轨道所在处的磁感应强度大小均为B。将一根长度稍大于L、质量为m、电阻为R的金属棒从轨道顶端ab处由静止释放。已知当金属棒到达轨道底端cd时,速度大小为v。求:
(1)当金属棒滑到轨道底端时,流经电阻R的电流大小和方向;
(2)金属棒滑到轨道底端的整个过程中流经电阻R的电量;
(3)金属棒滑到轨道底端的整个过程中电阻R上产生的热量。

(10分)如图,一个小物块P置于水平传送带的右端,另一个小物块Q置于倾角为37°的光滑固定斜面底端,两小物块P、Q由跨过定滑轮的轻绳相连,轻绳分别与斜面传送带平行。传送带始终以速度向左匀速运动,某时刻P带着Q一起从传送带右端以速度
向左运动。已知P、Q质量均为1kg。P与传送带间的动摩擦因数为0.2。斜面、轻绳、传送带均足够长。Q不会碰到定滑轮,定滑轮的质量与摩擦均不计,g取10
,sin37°= 0.6。求:
(1)P刚开始向左运动的加速度;
(2)P从开始运动到向左运动到最大位移处所经历的总时间;
(3)上述过程中P与传送带因摩擦产生的总热量。

( 12分)如图,一比荷的带正电粒子A以速度
从O点沿y轴正方向射入一个长条形匀强磁场区域,已知该磁场的磁感应强度大小B=1T,方向垂直纸面向外。粒子在磁场中速度方向偏转了120°后,从右边界MN某处飞出磁场,经过一段时间后又从P点处经过x轴,进入场强
,方向沿与x轴正方向成60°角斜向上的匀强电场中,粒子的重力不计。
(1)求匀强磁场区域的宽度d;
(2)设粒子A从x轴上另外一点Q处离开匀强电场,求P、Q两点间的距离L;
(3)若在粒子A进入电场的同时,在电场中适当的位置由静止释放另一个与A完全相同的带电粒子B,可使两粒子在离开电场前相遇。求所有满足条件的释放点的位置集合(不计粒子间相互作用力)。
